·无动力滚筒
  ·动力滚筒
  ·电动滚筒
  ·福来轮
  ·杯型支架
  ·万向球
  ·流利条
 
欢迎光临湖州顶顺自动化机械设备厂网站!滚筒辊筒
 
 万向球 <第一页> <第二页>

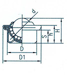
WX-03B  
技术参数  
订货代号 ф
(mm)
d1
(mm)
D
(mm)
D1
(mm)
D2
(mm)
h
(mm)
H
(mm)
L
(mm)
L1
(mm)
S
(mm
静载(kg) 动载(kg) 自重
(g)
WX-03B 5.5 25.4 42 44.5 55 13.8 32 56 70 1.2 25 30 158
 
WX-03C  
技术参数  
订货代号 d
(mm)
D
(mm)
D1
(mm)
h
(mm)
H
(mm)
S
(mm)

静载 (kg)

动载
(kg)
自重
(g)
WX-O3C 15.9 24.5 32 15 21.3 11 13 17 44
 
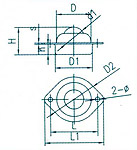
WX-04A  
技术参数  
订货代号 D
(mm)
D1
(mm)
D2
(mm)
d
(mm)
L1
(mm)
L2
(mm)
L3
(mm)
静载 (kg) 动载 (kg) 自重
(g)
WX-04A 19.05 16 23 M6 14 27 22 30 40 50
WX-04B 25.4 25 31 M8 20 36 28 40 50 127
 
WX-05  
技术参数  
订货代号 D
(mm)
d1
(mm)
D1
(mm)
S
(mm)
h
(mm)
H
(mm)
静载  (kg) 动载  (kg) 自重  (g)
WX-05 54.6 30 44.5 23 31 37 250 250 320
 
WX-06  
技术参数  
订 货  代 号 d
(mm)
d1
(mm)
D
(mm)
h
(mm)
H
(mm)
L
(mm)
L1
(mm)
S
(mm)
静载(kg) 动载
(kg)
自重
(g)
WX-06 7 25.4 44 24 32 68 86 4 40 50 58
其他型号万向球  
 
  <上一页>

2006-2014 © 湖州顶顺自动化机械设备厂 版权所有